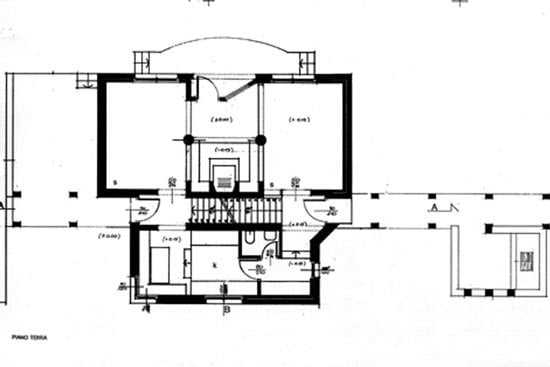
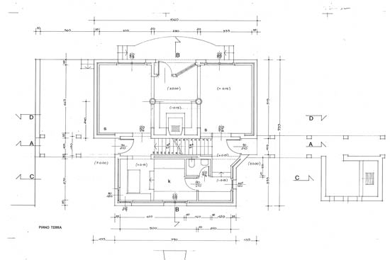
This house was built on the foundations of a previous structure destroyed by earthquake in 1976. The small size of the building is emphasized by the interpenetration of the interior volumes and the subsequent dynamic transition between spaces rather than rooms. On the exterior the strong chimney, the symbolic center of the house, is a visible landmark. The large round window, oculus, faces the dramatic view of the mountains across the river.
Friuli, Italy
Luigi Garbarino